IndexLaserFusorGasentladungenHochspannungSonstigesLinksSicherheitImpressum

ZVS-Ansteuerung

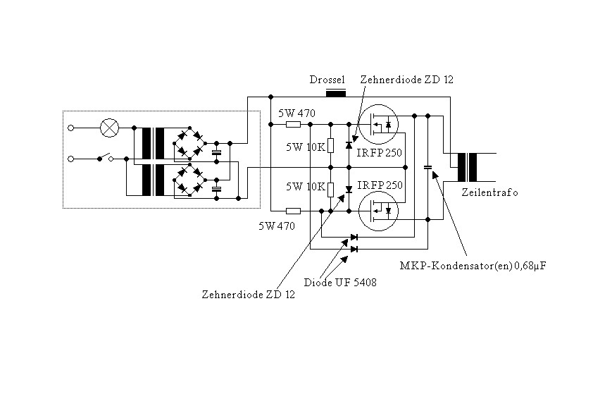
Da die vorhandenen Hochspannungsquellen von der Leistung und vor allem von der Spannung her nicht mehr für alle Projekte ausreichte, musste eine neue her. Der Bau einer ZVS-Ansteuerung war naheliegend, da er relativ günstig zu bewerkstelligen ist. Die Ansteuerung ist nach diesem Schaltplan aufgebaut. Der gepunktet umrandete Teil ist die Netzversorgung, die je nach Verschaltung der Trafos 12, 24 oder 48 V liefert. Jeder der beiden Trafos ist für 160 W im Dauerbetrieb ausgerichtet und mit einen Brückengleichrichter und einem Glättungskondensator ausgestattet.

für eine größere Darstellung in einem neuen Fenster
aufs Bild klicken
Die erste schnell zusammengebastelte Ansteuerung erfüllte absolut nicht die Erwartungen. Der grüne 250 V 680 nF Kondensator wurde nach wenigen Sekunden unanfassbar heiß und die Ausgangsspannung lag bei max. 1-2 kV. Dabei war die Eingansspannung ziemlich egal. Der gnadenlos unterdimensionierte Zeilentrafo hatte bei dem ersten Versuch über 5 kV zu kommen keinen Bock mehr (spontane Selbstentzündung).

für eine größere Darstellung in einem neuen Fenster
aufs Bild klicken
In der zweiten Schaltung wurden statt des 250V 680nF Kondensator 10 Stück MKP-Kondensatoren mit jeweils 630 V und 68 nF verwendet. Die Leitungen wurden durch dickere ersetzt (deswegen teilweise gedreht). Auch die Drossel, die sich als wenig kritisch herausstellte, wurde durch eine leistungsfähigere ersetzt.

für eine größere Darstellung in einem neuen Fenster
aufs Bild klicken
Die Schaltung funzte trotzdem nicht so richtig, bis sich letztendlich herausstellte, dass Kupferlackdraht für die Primärwicklung an den nun verwendeten Diodensplittrafos wahre Wunder vollbrachte. Der hier sicherheitshalber in Öl versenkte Diodensplittrafo lieferte etwa 15 kV bei einer Eingangsspannung von 24 V. Das war zwar nicht so viel wie erhofft, aber es reichte erst mal aus.

für eine größere Darstellung in einem neuen Fenster
aufs Bild klicken
Die beiden Netzversorgungs-Trafos wurden über eine 200 W Glühbirne im Primärkreis strombegrenzt.

für eine größere Darstellung in einem neuen Fenster
aufs Bild klicken
Auf diesem Foto ist der komplette Aufbau zu sehen.

für eine größere Darstellung in einem neuen Fenster
aufs Bild klicken
In Wirklichkeit ist der Lichtbogen viel gelblicher als auf dem Foto. Mit diesem Aufbau, der nachträglich immer weiter optimiert wurde, ließen sich die weiteren Projekte durchführen.

für eine größere Darstellung in einem neuen Fenster
aufs Bild klicken
Die bislang letzte Schaltung wurde noch robuster aufgebaut und zum Schutz in einem Gehäuse untergebracht.

Fazit: Die Schaltung hat viel mehr Probleme gemacht als angenommen, wobei im Endeffekt die erwünschten Leistungen und Spannungen erreicht wurden. Die manchmal für diese Ansteuerungs-Methode angesetzte Ausgangsspannung von bis zu 50 kV ließ sich zwar bewerkstelligen, aber der Diodensplittrafo versagte innerhalb von wenigen Minuten. Immer wieder mussten Bauteile (vor allem die Transistoren) ersetzt werden, was letztendlich doch ins finanzielle Gewicht fiel. Abgesehen davon ist dieser Aufbau sehr eigensinnig und die Ausgangsspannung variiert je nach verwendetem Trafo und dessen Primärwicklung. Mal sehen, was der Schaltung noch zugemutet werden kann.